【令和8年(2026年)対応】第二種電気工事士試験を完全攻略!概要・難易度・日程・合格へのロードマップ

試験対策ロードマップ

※第一種電気工事士ロードマップは↓でご紹介しています。

【令和8年(2026年)対応】第一種電気工事士試験を完全攻略!概要・難易度・日程・合格へのロードマップ

電気工事士の資格を取りたいけれど、何から手をつければいいのか分からない…」 そんな悩みを持つ方に向けて、現役の視点から試験の全体像、難易度を徹底解説します。

電気工事士とは

順位資格名年間受験者数(概算)特徴
1位日商簿記検定(2級・3級等合計)約40万人〜事務・経理の必須資格。ネット試験導入でさらに増加。
2位宅地建物取引士(宅建)約23万人〜30万人不動産業界の登竜門。圧倒的な知名度と人気。
3位ITパスポート約20万人〜ITリテラシーの証明。近年、企業や学生の受験が急増。
4位第二種電気工事士約15万人〜17万人技術系国家資格の王様。就職・転職に直結するため安定して多い。
5位行政書士約5万人〜6万人法律系資格の入り口。独立志向の方に人気。

※2025年CETS調べ

個人的に、食いっぱぐれない資格とまでは言えませんが、常に需要がある資格です。

第一種、第二種電気工事士ができること

電気工事士は「第二種」と「第一種」の2つがあり、以下のような違いがあります。

項目第二種電気工事士第一種電気工事士
作業範囲一般用電気工作物自家用電気工作物 + 一般用
電圧の目安600V以下(低圧)最大電力500kW未満のビル・工場など
主な現場一般住宅、小規模な店舗オフィスビル、大型工場、変電所
試験の難易度基本。初心者向け応用。より高度な知識が必要
免状交付条件試験合格のみでOK試験合格 + 3年以上の実務経験

エアコンですら200Vが一般的ですので、家庭や商業施設にある電気のほとんどは、第二種電気工事士の資格だけでも、非常に多くの需要があります。

第二種電気工事士取得の受験資格・難易度(筆記・実技)

受験資格(受験できる条件)は?

第二種電気工事士は、特別な受験資格・要件は一切ありません。

  • 学歴・職歴不問:文系・理系などの学歴や、実務経験の有無は関係ありません。
  • 年齢不問:小学生からシニアまで、年齢に関係なく受験が可能です。
  • 性別・国籍不問:どなたでも同じ条件でチャレンジできます。

受験は1次「筆記試験」と2次「実技試験」があり、試験内容は以下の通りです。

試験区分内容形式合格ライン
筆記試験一般知識、配線図、電気理論、法令など四肢択一(マークシート)50問60点以上(30問正解)
技能試験出題される13問の候補問題から1問を施工実際の電線・器具を用いた工作(40分)重大な欠陥がないこと

それぞれ全く違う準備が必要となります。

免状(資格証)の交付に関する注意点(第一種)

試験自体は誰でも受けられますが、合格した後に第一種の免状(正式な資格証)については、受け取るために実務経験が必要です。(第一種電気工事士の概要については別の記事で記載します。)

  • 第二種電気工事士試験に合格すれば、実務経験がなくてもすぐに免状を申請・取得できます。
  • 第一種電気工事士:試験合格後、免状を受け取るには**実務経験(原則3年以上など)**が必要です。※試験自体を受けて、合格通知を取得することは可能です。

難易度は?

受験は1次「筆記試験」と2次「技能試験」があり、筆記試験の合格率は50%、技能試験は60%程度となっています。数ある国家資格の中でも、比較的「易しい」難易度と言ってよいでしょう。

※一つ注意点として、他の記事では「だいたい50%です」と記載している記事も多いのですが、実際は50%×60%なので、受験~合格を一貫して考えると、30%くらいになるので、しっかりとした準備は必要です。

また、「易しい」とされる理由は以下の通りです。

  • 「落とすための試験」ではないから
    • 司法試験や宅建のように「上位〇%だけ受かる」という相対評価ではなく、「60点以上取れば全員合格」という絶対評価だからです。
  • 過去問の類似問題が非常に多いから
    • 筆記試験は、過去に出た問題と数値だけ変えたような問題が頻出します。新しいことを覚えるより「過去問を回す」だけで得点が安定します。
  • 技能試験(実技)の問題が事前に公表されるから
    • 毎年、事前に13問の「候補問題」が公表されます。その中から1問が出るため、練習さえ積み上げれば本番でパニックになることがありません。

【筆記試験の注意点】

筆記試験は、数学のいわゆる√(ルート)を使った問題などが出るため、苦手意識ある人は少し難易度が上がるかもしれません。

また「配線図」問題は暗記&パズル的な要素もあり、個人的に最初はかなり抵抗がありました。

配線図問題の解き方として、単線図を複線図にする(図面上は1本の線を、電線1本1本の接続関係(黒線・白線)や色分け、器具の接続方法まで詳細に表現した図に詳細化する)作業があります。

これは次の2次試験にも通ずるため、根気よく理解する必要があります。

【実技試験の注意点】

試験問題は、毎年「13問の候補問題から1問出題」と、少し変わった形式となります。

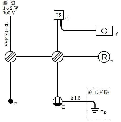
実際の試験問題は、以下のような配線図が出題されます。

※似たようなものが、あと12個あります。

試験当日に材料が配られ、単線図を複線図に変換する作業(やらなくても合格できますが、やった方が時短になります)を含めて、40分以内で作品を完成させる必要があります。

難易度は50%とお話しましたが、練習してないと

電気工事の経験があっても落ちます」。

(そもそも電気工事は、第二種電気工事士の資格を持っていないとダメなのですが、無資格で経験を積んだ人が「そろそろ取らないとマズいかな」といって受験することがよくあります。)

1次試験(筆記)を突破して、「後はぶっつけ本番で!」と余裕を見せていたら落ちた、なんて人もたくさんいます。

個人的に実技試験の難易度は、筆記試験以上と思っています。
その理由として

  • ミスが許されない(材料が限られる)
    • 配られた材料は、予備材があるものもありますが「この電線使い切ったんで」「間違えて切ったんで」と言っても、配られた以上の材料はもらえません。、また40分の試験時間は、練習していてもかなりギリギリです。
  • 勉強時間がない
    • 13問事前に公開されていますが、実技なので隙間時間に簡単に練習ができません。腰を据えて試験対策をする必要があります。学生や社会人など時間が取れない方も多くいます。
  • そもそも1次(筆記試験)を突破した中での合格率
    • 1次試験は受験資格がないため、まったく勉強をしていない人すら受験します。しかし実技試験は、その50%を突破した人(1次より明らかにレベル・意欲が高い)の中で、更に50%ですので、難易度は確実に上がっています。

しっかりと勉強時間、練習時間を確保できるかが、難易度を大きくわける明暗となります。

【令和8年(2026年)版】受験の申し込み方法(エントリーの進め方)・試験日程

試験の概要を理解したら、次はいよいよ申し込みです。電気工事士試験は「申し込み期間が非常に短い」のが最大の特徴です。

チャンスを逃さないよう、以下の手順を確認しておきましょう。

申し込みは「インターネット」が主流

現在は、試験を運営する「電気技術者試験センター」の公式サイトからインターネットで申し込むのが一般的です。
ここでアカウント(マイページ)を作成して、登録する必要があります。

申し込みの3ステップ

  1. マイページの作成: 初めての方は、公式サイトでマイページを登録します。
  2. 受験料の支払い: クレジットカード、コンビニ払い、銀行振込などが選べます。
  3. 顔写真のアップロード: スマホで撮影した写真でもOKですが、背景やサイズに指定があるため注意しましょう。

【重要】申し込み時期を逃さないで!

電気工事士試験は、試験日の約2ヶ月前に申し込みが締め切られます。ギリギリになって「○〇の準備を忘れた!」となると、少なくとも半年間は受験できないので、余裕をもって申し込みをしましょう。

以下は令和8年(2026年)の試験日程です。

試験区分【上期試験】【下期試験】
申込期間3月16日(月) 〜 4月6日(月)8月17日(月) 〜 9月3日(木)
学科試験 (CBT方式)4月23日(木) 〜 6月7日(日)9月24日(木) 〜 11月8日(日)
学科試験 (筆記方式)5月24日(日)10月25日(日)
技能試験7月18日(土) または 19日(日)12月12日(土) または 13日(日)

アドバイス

・「上期」と「下期」の両方に一気に申し込むことはできません。まずは上期の結果を見てから、ダメなら下期に申し込むという流れになります。

・CBT方式を選ぶと、期間内の好きな日・場所で受験できるため非常に便利ですが、人気の会場はすぐに埋まるため、申し込み開始直後のエントリーを強くおすすめします。(私はかなり早い日時の予約をとったので、試験時は会場に1人だけでした)

まとめ

電気工事士は、一度取得すれば一生役立つ強力な国家資格です。 最初は「単線図」や「複線図」といった慣れない言葉に戸惑うかもしれませんが、一歩ずつ進んでいけば必ず合格できる試験です。当サイトでこれからますます有益な情報を提供していこうと思っています。

本サイトでは、筆記試験や技能試験で役立つ参考書や工具を紹介しています

【筆記試験】第二種電気工事士 筆記試験 独学で使ったテキスト3選

【技能試験】第二種電気工事士 技能試験練習法 試験・練習で揃えるべき必須工具と練習材料

まずは申し込みをして、やるしかない状況を作ってみるのも良いかもしれません。

コメント

タイトルとURLをコピーしました